CONFIGURATION
| Product Picture | Spade Shaped Insulated Terminal | ||||||||
| Cross section:0.5-1.5mm²; AWG: 22-16; Imax=19A. | |||||||||
| ITEM NO | No. of Bolt | bolt mouth | B | L | F | H | D Φ | Color | |
![]() ![]() |
SV 1.25-3 | #4 | 3.2 | 5.7 | 21.2 | 6.5 | 10 | 4.3 | red |
| SVS 1.25-3.5 | #6 | 3.7 | 5.7 | 21.2 | 6.5 | ||||
| SVL 1.25-3.5 | #6 | 3.7 | 6.4 | 21.2 | 6.5 | ||||
| SVS 1.25-4 | #8 | 4.3 | 6.4 | 21.2 | 6.5 | ||||
| SVM 1.25-4 | #8 | 4.3 | 7.2 | 21.2 | 6.5 | ||||
| SVL 1.25-4 | #8 | 4.3 | 8.1 | 21.2 | 6.5 | ||||
| SVS 1.25-5 | #10 | 5.3 | 8.1 | 21.2 | 6.5 | ||||
| SVL 1.25-5 | #10 | 5.3 | 9.5 | 21.2 | 6.5 | ||||
| SVS 1.25-6 | 1/4 | 6.4 | 9.5 | 21.2 | 6.5 | ||||
| SVL 1.25-6 | 1/4 | 6.4 | 12.0 | 27.2 | 11.0 | ||||
| Cross section:1.5-2.5mm²; AWG: 16-14; Imax=27A. | |||||||||
| ITEM NO | No. of Bolt | bolt mouth | B | L | F | H | D Φ | Color | |
| SV 2-3 | #4 | 3.2 | 5.7 | 21.2 | 6.5 | 10 | 4.9 | Blue | |
| SVS 2-3.5 | #6 | 3.7 | 5.7 | 21.2 | 6.5 | ||||
| SVL 2-3.5 | #6 | 3.7 | 6.0 | 21.2 | 6.5 | ||||
| SVS 2-4 | #8 | 4.3 | 6.4 | 21.2 | 6.5 | ||||
| SVM 2-4 | #8 | 4.3 | 7.2 | 21.2 | 6.5 | ||||
| SVL 2-4 | #8 | 4.3 | 8.1 | 21.2 | 6.5 | ||||
| SVS 2-5 | #10 | 5.3 | 8.1 | 21.2 | 6.5 | ||||
| SVL 2-5 | #10 | 5.3 | 9.5 | 21.2 | 6.5 | ||||
| SVS 2-6 | 1/4 | 6.4 | 9.5 | 21.2 | 6.5 | ||||
| SVL 2-6 | 1/4 | 6.4 | 12.0 | 27.2 | 11.0 | ||||
| Cross section:2.5-4mm²; AWG: 14-12; Imax=37A. | |||||||||
| ITEM NO | No. of Bolt | bolt mouth | B | L | F | H | D Φ | Color | |
| SV 3.5-3 | #4 | 3.2 | 5.7 | 24.8 | 7.0 | 13.0 | 6.2 | Black | |
| SV 3.5-4 | #8 | 4.3 | 8.0 | 24.8 | 7.0 | ||||
| SV 3.5-5 | #10 | 5.3 | 8.0 | 24.8 | 7.0 | ||||
| SV 3.5-6 | 1/4 | 6.4 | 12.0 | 28.0 | 12.1 | ||||
| Cross section:4-6mm²; AWG: 12-10; Imax=48A. | |||||||||
| ITEM NO | No. of Bolt | bolt mouth | B | L | F | H | D Φ | Color | |
| SV 5.5-3.5 | #6 | 3.7 | 8.3 | 25.2 | 7.5 | 13.0 | 6.7 | Yellow | |
| SVS 5.5-4 | #8 | 4.3 | 8.3 | 25.2 | 7.5 | ||||
| SVL 5.5-4 | #8 | 4.3 | 9.0 | 25.2 | 7.5 | ||||
| SVL 5.5-5 | #10 | 5.3 | 9.0 | 25.2 | 7.5 | ||||
| SVS 5.5-6 | 1/4 | 6.4 | 9.0 | 25.2 | 7.5 | ||||
| SVL 5.5-6 | 1/4 | 6.4 | 12.0 | 31.2 | 12.0 | ||||
| SV 5.5-8 | 5/16 | 8.4 | 14.0 | 30.0 | 11.5 | ||||
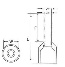
| Product Picture | Cord Insulated End Terminal | ||||||||
| Max pressure: 105℃ Ui=300V | |||||||||
| ITEM NO | Dimension(mm) | Cross Section(mm² ) | Insulation sleeve color | ||||||
| F | L | W | DΦ | CΦ | A.W.G | (1)German (2)French | |||
![]() ![]() |
E0506 | 6.0 | 12.0 | 2.6 | 1.3 | 1.0 | #22 | 0.5 |
(1)orange (2)white |
| E0508 | 8.0 | 14.0 | |||||||
| E0510 | 10.0 | 16.0 | |||||||
| E0512 | 12.0 | 18.0 | |||||||
| E7506 | 6.0 | 12.4 | 2.8 | 1.5 | 1.2 | #20 | 0.8 |
(1)white (2)blue |
|
| E7508 | 8.0 | 14.4 | |||||||
| E7510 | 10.0 | 16.4 | |||||||
| E7512 | 12.0 | 18.4 | |||||||
| E1006 | 6.0 | 12.4 | 3.0 | 1.7 | 1.4 | #18 | 1.0 |
(1)yellow (2)red |
|
| E1008 | 8.0 | 14.4 | |||||||
| E1010 | 10.0 | 16.4 | |||||||
| E1012 | 12.0 | 18.4 | |||||||
| E1508 | 8.0 | 14.4 | 3.5 | 2.0 | 1.7 | #16 | 1.5 |
(1)red (2)black |
|
| E1510 | 10.0 | 16.4 | |||||||
| E1512 | 12.0 | 18.4 | |||||||
| E1518 | 18.0 | 24.4 | |||||||
| E2508 | 8.0 | 15.2 | 4.0 | 2.6 | 2.3 | #14 | 2.5 |
(1)blue (2)grey |
|
| E2510 | 10.0 | 17.2 | |||||||
| E2512 | 12.0 | 19.2 | |||||||
| E2518 | 18.0 | 25.2 | |||||||
| E4009 | 9.0 | 16.5 | 4.4 | 3.2 | 2.8 | #12 | 4.0 |
(1)grey (2)orange |
|
| E4012 | 12.0 | 19.5 | |||||||
| E4018 | 18.0 | 25.5 | |||||||
| E6010 | 10.0 | 18.5 | 6.3 | 3.9 | 3.5 | #10 | 6.0 |
(1)black (2)green |
|
| E6012 | 12.0 | 20.5 | |||||||
| E6018 | 18.0 | 26.5 | |||||||
| E10-12 | 12.0 | 22.5 | 7.6 | 4.9 | 4.5 | #7 | 10.0 |
(1)white (2)brown |
|
| E10-18 | 18.0 | 28.5 | |||||||
| E16-12 | 12.0 | 23.5 | 8.8 | 6.2 | 5.8 | #5 | 16.0 |
(1)green (2)white |
|
| E16-18 | 18.0 | 29.5 | |||||||
| E25-16 | 16.0 | 28.5 | 11.2 | 7.9 | 7.5 | #4 | 25.0 |
(1)brown (2)black |
|
| E25-22 | 22.0 | 34.5 | |||||||
| E35-16 | 16.0 | 30.5 | 12.7 | 8.7 | 8.3 | #2 | 35.0 | grey | |
| E35-25 | 25.0 | 39.5 | |||||||
| E50-20 | 20.0 | 36.0 | 15.3 | 10.9 | 10.3 | #1 | 50 | Olive | |
| E50-25 | 25.0 | 41.0 | |||||||
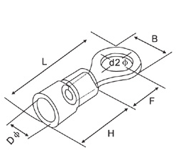
| Product Picture | Ring Shaped Insulated Terminal | ||||||||
| Cross section:0.5-1.5mm²; AWG: 22-16; Imax=19A. | |||||||||
| ITEM NO | No. of Bolt | bolt mouth | B | L | F | H | D Φ | Color | |
![]() ![]() |
RV 1.25-3 | #4 | 3.2 | 5.7 | 17.8 | 4.95 | 10.0 | 4.3 | red |
| RVS 1.25-3.5 | #6 | 3.7 | 5.7 | 17.8 | 4.95 | ||||
| RVM 1.25-3.5 | #6 | 3.7 | 6.6 | 20.1 | 6.3 | ||||
| RVL 1.25-3.5 | #6 | 3.7 | 8.0 | 21.5 | 7.0 | ||||
| RVS 1.25-4 | #8 | 4.3 | 6.6 | 20.1 | 6.3 | ||||
| RVL 1.25-4 | #8 | 4.3 | 8.0 | 21.5 | 7.0 | ||||
| RV 1.25-5 | #10 | 5.3 | 8.0 | 21.5 | 7.0 | ||||
| RVL 1.25-5 | #10 | 5.3 | 9.8 | 23.0 | 8.5 | ||||
| RVS 1.25-6 | 1/4 | 6.4 | 9..8 | 23.0 | 8.5 | ||||
| RV 1.25-6 | 1/4 | 6.4 | 11.6 | 27.5 | 11.1 | ||||
| RV 1.25-8 | 5/16 | 8.4 | 11.6 | 27.5 | 11.1 | ||||
| RV 1.25-10 | 3/8 | 10.5 | 13.6 | 31.6 | 13.9 | ||||
| RV 1.25-12 | 1/2 | 13.0 | 19.2 | 36.0 | 16.5 | ||||
| Cross section:1.5-2.5mm²; AWG: 16-14; Imax=27A. | |||||||||
| ITEM NO | No. of Bolt | bolt mouth | B | L | F | H | D Φ | Color | |
| RV 2-3 | #4 | 3.2 | 6.6 | 17.8 | 4.3 | 10.0 | 4.9 | blue | |
| RVS 2-3.5 | #6 | 3.7 | 6.6 | 17.8 | 4.3 | ||||
| RVM 2-3.5 | #6 | 3.7 | 6.6 | 21.0 | 7.0 | ||||
| RVL 2-3.5 | #6 | 3.7 | 8.5 | 22.5 | 7.75 | ||||
| RVS 2-4 | #8 | 4.3 | 6.6 | 21.0 | 7.0 | ||||
| RVL 2-4 | #8 | 4.3 | 8.5 | 22.5 | 7.75 | ||||
| RV 2-5 | #10 | 5.3 | 8.5 | 22.5 | 7.75 | ||||
| RVL 2-5 | #10 | 5.3 | 9.5 | 22.5 | 7.25 | ||||
| RV 2-6 | 1/4 | 6.4 | 12.0 | 27.6 | 11.0 | ||||
| RV 2-8 | 5/16 | 8.4 | 12.0 | 27.6 | 11.0 | ||||
| RV 2-10 | 3/8 | 10.5 | 13.6 | 30.0 | 13.9 | ||||
| RV 2-12 | 1/2 | 13.0 | 19.2 | 36.5 | 16.5 | ||||
| Cross section:2.5-4mm²; AWG: 14-12; Imax=37A. | |||||||||
| ITEM NO | No. of Bolt | bolt mouth | B | L | F | H | D Φ | Color | |
| RV 3.5-4 | #8 | 4.3 | 8.0 | 24.5 | 7.7 | 12.5 | 6.2 | black | |
| RVS 3.5-5 | #10 | 5.3 | 8.0 | 24.5 | 7.7 | ||||
| RVL 3.5-5 | #10 | 5.3 | 12.0 | 27.9 | 7.7 | ||||
| RV 3.5-6 | 1/4 | 6.4 | 12.0 | 27.9 | 7.7 | ||||
| Cross section:4-6mm²; AWG: 12-10; Imax=48A. | |||||||||
| ITEM NO | No. of Bolt | bolt mouth | B | L | F | H | D Φ | Color | |
| RV 5.5-3.5 | #6 | 3.7 | 7.2 | 21.4 | 5.9 | 12.5 | 6.7 | yellow | |
| RVS 5.5-4 | #8 | 4.3 | 7.2 | 21.4 | 5.9 | ||||
| RVL 5.5-4 | #8 | 4.3 | 9.5 | 25.5 | 8.3 | ||||
| RV 5.5-5 | #10 | 5.3 | 9.5 | 25.5 | 8.3 | ||||
| RV 5.5-6 | 1/4 | 6.4 | 12 | 31.5 | 13.0 | ||||
| RV 5.5-8 | 5/16 | 8.4 | 15 | 33.7 | 13.7 | ||||
| RV 5.5-10 | 3/8 | 10.5 | 15 | 33.7 | 13.7 | ||||
| RV 5.5-12 | 1/2 | 13 | 19.2 | 38.1 | 16.0 | ||||
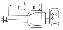
| Product Picture | Double wire tube shaped insulated terminal | ||||||||
| ITEM NO | (mm² ) | F | L | W | B | D Φ | C Φ | German/French | |
![]()
|
TE 0508 | 2x0.5 | 8.0 | 14.5 | 8 | 6.5 | 1.8 | 1.5 | white/white |
| TE 7508 | 2x0.75 | 8.0 | 14.7 | 8 | 6.7 | 2.1 | 1.8 | blue/grey | |
| TE 7510 | 2x0.75 | 10.0 | 16.7 | 10 | 6.7 | 2.1 | 1.8 | ||
| TE 1008 | 2x1.0 | 8.0 | 15.1 | 8 | 7.1 | 2.3 | 2.0 | red/red | |
| TE 1010 | 2x1.0 | 10.0 | 17.1 | 10 | 7.1 | 2.3 | 2.0 | ||
| TE 1508 | 2x1.5 | 8.0 | 15.5 | 8 | 7.2 | 2.6 | 2.3 | black/yellow | |
| TE 1512 | 2x1.5 | 12.0 | 19.5 | 12 | 7.5 | 2.6 | 2.3 | ||
| TE 2510 | 2x2.5 | 10.0 | 18.5 | 10 | 8.5 | 3.3 | 2.9 | grey/blue | |
| TE 2513 | 2x2.5 | 13.0 | 21.5 | 13 | 8.5 | 3.3 | 2.9 | ||
| TE 4012 | 2x4.0 | 12.0 | 23.1 | 12 | 11.1 | 4.2 | 3.8 | orange/grey | |
| TE 6014 | 2x6.0 | 14.0 | 26.1 | 14 | 12.1 | 5.3 | 4.9 | green/yellow | |
| TE 10-14 | 2x10.0 | 14.0 | 26.6 | 14 | 12.0 | 6.9 | 6.9 | brown/red | |
| TE 16-14 | 2x16.0 | 14.0 | 31.3 | 14 | 17.3 | 8.7 | 8.3 | white/blue | |













Reviews
There are no reviews yet.